ТЕНДЕР ПО ЗАКУПКЕ ЩИТОВОГО ОБОРУДОВАНИЯ

Для подачи заявки на участие в тендере просьба высылать Ваши коммерческие предложения на электронную почту e-mail: tender@stikon.od.ua
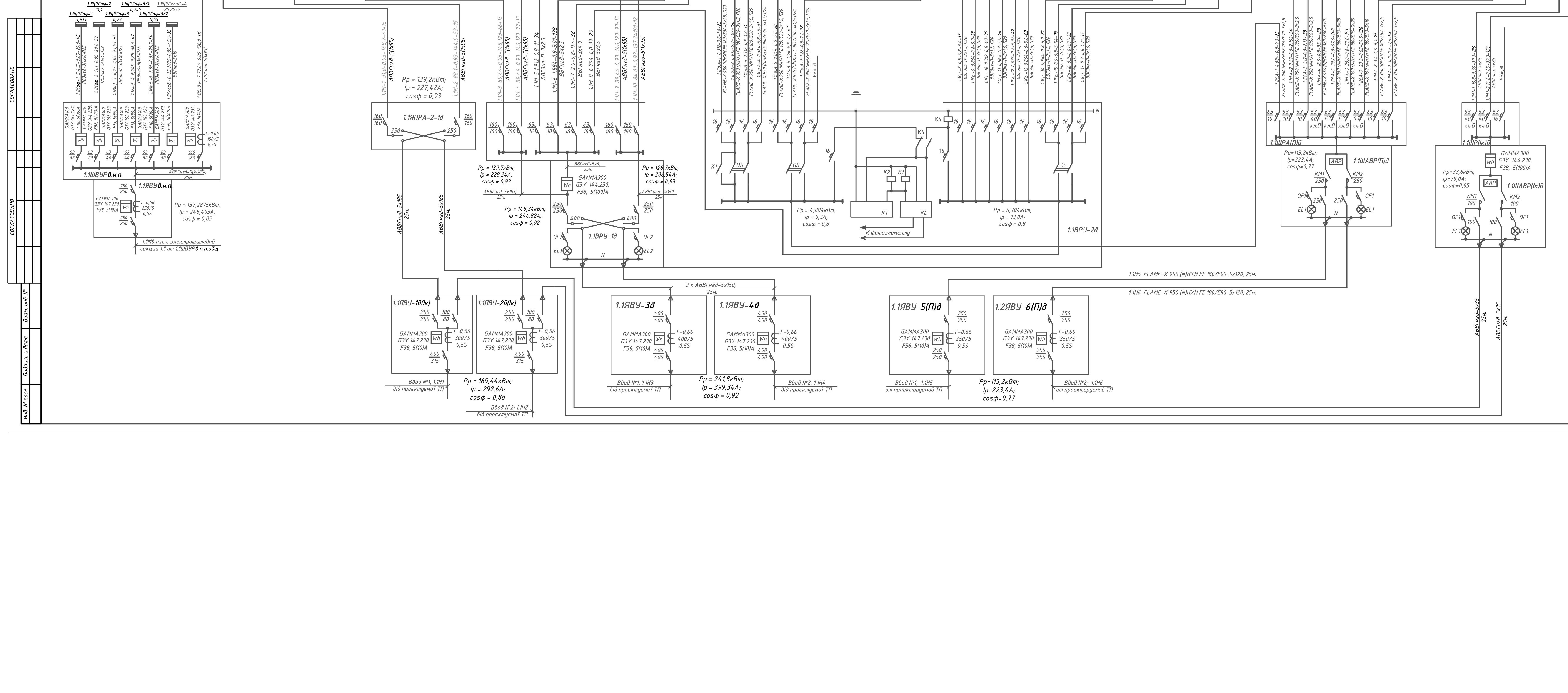
- Наименование: Оборудование Щитовой
- Характеристики:
- Устройства вводно-распределительные для жилых и общественных зданий должны соответствовать
- по Степеню защиты ГОСТ14254-89
- по Климатическому исполнению по ГОСТ15150-69
- Проводить расчеты стоимости по каждому щиту раздельно!!!
- Оборудование выполнять на коммутационных аппаратах, произведенных в странах ЕС, следующих производителей: Hager, Eti, Schneider Electric, Moeller / Eaton, АВВ, Legrand.
- Материал шины - МЕДЬ
- Рубильники должны быть выполнены согласно спецификации
- Присоединительные клеммы автоматических выключателей должны соответствовать сечению кабелей подводящих и отводящих сетей
- Участникам необходимо в течении 3 дней подать подробнуюю спецификацию для анализа.
- Шкафы не совмещать
- Степень IP защиты: IP 54
- Шкафы вводно-учетные должны изготовить в двухдверном исполнении
- Во внутренней двери сделать окна для счетчиков и электрических аппаратов
- Внутреннюю дверь выполнить с устройством под опломбировку
- Все оборудование должно соответствовать номиналам, указанным в опросных листах
- Антикоррозийное покрытие, выполненное эпоксидно-полиэстровой порошковой краской
- Расчет производить без приборов учета электроэнергии.
- Щит 1ШВУР н.в. 1 шт
- Щит ЯВУ 2 шт
- Щит 1ВРУ-1 2 шт
- Щит 1ЯВУ(ЯВУ-П-400) 6 шт
- Щит АВР 2 шт
- Щит ПР-1 1 шт
- Щит ЩР 3 шт
- установка конденсаторная УКРМ -0,4-70-10 УЗ 1 шт
- Поставка товара: 15.10.2021г.
- Условия поставки: транспортом поставщика на склад покупателя. При отгрузке обязательное предоставление сертификата, паспорта качества, расходной накладной, ТТН-ой накладной.
- Оплата товара: 50% предоплата, 50% после письменного уведомления о готовности оборудования к отгрузке
- Дата проведения тендера: 17 СЕНТЯБРЯ 2021г.
- Вид тендера: ОТКРЫТЫЙ C ОГРАНИЧЕННЫМ УЧАСТИЕМ!!
- Статус тендера: СОСТОЯЛСЯ
ДАТА ПОДАЧИ СПЕЦИФИКАЦИИ 02.09.2021г.